1IEA6
AUTOMATISMOS INDUSTRIALES - 1º IEA






 




Tema 6. Esquemas y circuitos básicos










1.    DIAGRAMA BÁSICO DE CONTROL Y FUERZA DE UN
        MOTOR ELÉCTRICO TRIFÁSICO

1.1. COMPONENTES PRINCIPALES DE UN DIAGRAMA DE
        CONTROL Y FUERZA DE UN MOTOR TRIFÁSICO


2.     CADe_SIMU Ver. 4.0. NOVEDADES

3.     SIMULACIÓN CON PC_SIMU
y CADe_SIMU
























1. DIAGRAMA BÁSICO DE CONTROL Y FUERZA DE UN MOTOR ELÉCTRICO


    TRIFÁSICO



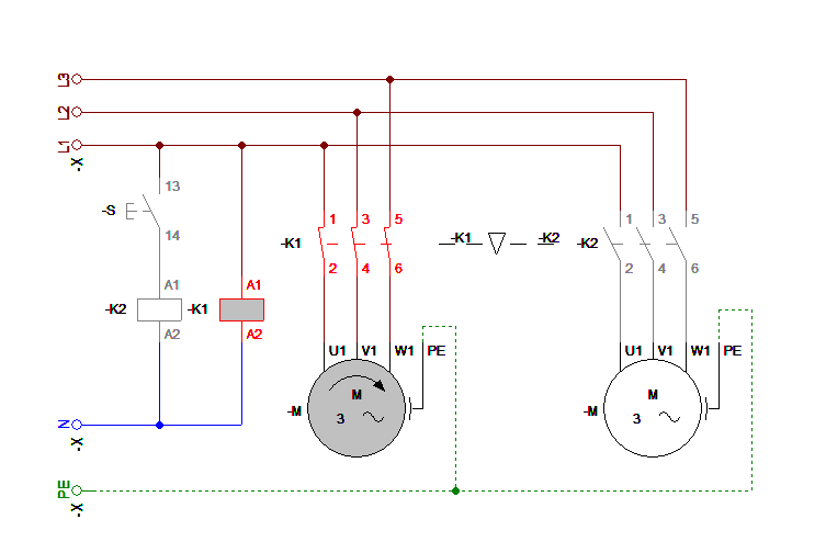
Un diagrama de control y fuerza de motores consta de 2 partes que interactúan en conjunto, que son el circuito de fuerza o potencia y el diagrama del circuito de mando o control. Aquí una imagen de ejemplo con un arranque y paro de un motor.

 



El uso de un circuito de control que maneje de manera indirecta grandes cargas, es una de las primeras innovaciones que se pudo desarrollar en la rama de controles eléctricos, ya que con el uso de relés y/o contactores podemos a manejar altas corriente y altas tensiones por medio de otras más pequeñas para la seguridad de los operadores de máquinas eléctricas.

 

 



1.1. COMPONENTES PRINCIPALES DE UN DIAGRAMA DE CONTROL Y FUERZA

         DE UN MOTOR TRIFÁSICO

 

Tanto el circuito de fuerza o potencia, como el circuito de mando o control poseen unos determinados elementos que es importante que conozcas para que puedas interpretar y aprenderte correctamente el funcionamiento de un circuito de maniobra de un motor.

 



A. Diagrama de Fuerza o Potencia



La parte de Fuerza o Potencia como lo indica su nombre es por la que se manejara toda la carga energética del equipo y por lo general cuenta con los siguientes elementos:

 

 

Disyuntor (Elemento de protección termomagnética)

El disyuntor o interruptor termomagnético es el primer elemento de un circuito de fuerza o potencia y tiene como función interrumpir el paso de la corriente cuando se detectara que la misma sobrepasa ciertos límites, protegiendo así al circuito eléctrico de sobrecargas y cortocircuitos.

 

Contactor (Elemento de control o arrancador)

El contactor es el segundo elemento en un circuito de fuerza o de mando y cumple la función más importante para la maniobra de un equipo eléctrico como lo es un motor, ya que nos permite controlar grandes corrientes con otras más pequeñas a través de un electroimán que tiene en su interior y que al activarse cierra mecánicamente unos contactor que servirán como líneas de fuerza. Algunos contactos son de Corriente continua a unos 24v, mientras que otros se pueden accionar a 110v con corriente alterna, todo dependerá de las especificaciones del fabricante.

      

 












Relé Térmico (Elemento de protección)

El relé térmico es el tercer componente de un circuito de fuerza o potencia y se trata de un dispositivo electromecánico, diseñado para proteger a los motores eléctricos. El mismo procura dar durabilidad a los motores industriales, cuidando a estos últimos de sobrecargas o calentamientos.

 

Motor Eléctrico (CARGA)

El motor eléctrico es la parte operacional y a la que le sacamos provecho, este es el cuarto elemento de un circuito de fuerza o potencia y es donde se convierte esa energía eléctrica en energía mecánica o movimiento que luego aprovechamos. Este puede ser tanto monofásico como trifásico, pero el fundamento en su control es el mismo.

 
NOTA. Aquí te dejamos un artículo donde aprenderás más a profundidad sobre el funcionamiento de un arranque y paro (Click aquí)



B. Diagrama de Control o Mando



Este básicamente es el que permite controlar o accionar de una manera segura para el operador una maquina por medio de un interruptor automático o contactor con bajas corrientes para manejar corriente más altas. Es decir este activando la o las bobinas de un conjunto de contactores permite cerrar o abrir contactos de fuerza.

 

 

Disyuntor (Elemento de protección termomagnética)

Al igual que en el circuito de fuerza en el circuito de mando o control se utilizan elementos de protección como lo es el disyuntor, con la diferencia que aquí utilizamos uno monofásico, porque por lo general solo vamos a utilizarlo para manipular cargas tales como la bobina de un contactor, alguna luz piloto o alarma.

 

 

 

 

Pulsadores (Elemento de control)

Los pulsadores, interruptores y todo elemento de interacción hombre-maquina por medio del circuito de control nos permiten controlar el circuito de fuerza y por ende la carga.

 

                

 

Adicionales

En el circuito de control también tenemos unos elementos que son de suma importancia pero que realmente no intervienen de forma alguna con el funcionamiento del equipo y estas son las luces piloto estas están ahí para brindar control visual de que se está llevando a cabo una función eléctrica en una ubicación local o remota.


Los contactos de fuerza son los contactos principales del contactor y son los que energizan directamente a la máquina, siendo capaces de manejar corrientes altas, mientras que los contactos auxiliares generalmente son usados para realizar enclavamientos y para manejar pequeñas cargas, ejemplo una luz piloto. Para más información (Click aquí)



VIDEO SOBRE DIAGRAMA DEL CIRCUITO DE CONTROL Y FUERZA

Aquí te dejamos un material de apoyo sobre lo que ya hemos visto para que puedas ver de una forma más gráfica la diferencia que hay entre un circuito de mando o control y uno de fuerza.





2. CADe_SIMU Ver. 4.0. NOVEDADES

 

CADe_SIMU es el referente en simulación de circuitos eléctricos para aplicaciones industriales, sobre todo en el ámbito educativo debido a su gratuidad y simplicidad. Lleva años entre nosotros y ya es todo un clásico que no necesita mayores presentaciones. Hace unas pocas semanas se liberó una nueva versión, la 4.0, que llega cargada de novedades que analizaremos en este artículo.

 


Componentes en 2 y 3 dimensiones


Una de las novedades mas notables de esta nueva versión de CADe_SIMU está relacionada con la visualización de los componentes. Ahora, además de la forma esquemática convencional a la que estábamos acostumbrados, podremos también usar símbolos pictóricos o imágenes, tanto en vista de dos dimensiones como tridimensional. No todos los elementos tienen esta posibilidad, sólo algunos (los mas comunes) por ahora.

 

Para poder insertar estos símbolos debemos seleccionar alguna de las dos opciones (2D o 3D) en la barra de herramientas de elementos:


Botones de símbolos 2D y 3D

 

 

En cualquiera de los dos casos accedemos a los símbolos de veinte componentes, representados con ligeras variaciones.



Algunos símbolos pictóricos en 2D y 3D, en distintos tamaños

 

 

Una vez dibujados, estos componentes pueden verse en notación simbólica, en vista 2D, 3D o la vista original empleando los siguientes botones de control:

Opciones de vista de elementos pictóricos

 

 

Nuevos componentes

 

Esta versión de CADe_SIMU agrega algunos componentes nuevos a los ya existentes:



Enclavamiento mecánico de contactos

Es un dispositivo que permite vincular mecánicamente dos contactores, de manera que si uno esta cerrado, impide que se cierre también el otro. Esto es particularmente útil, por ejemplo en un circuito de inversión de giro, donde se debe evitar que los dos contactores cierren simultáneamente, produciendo un cortocircuito.



Enclavamiento mecánico

 

 
Al ser un dispositivo mecánico, no es necesario realizar conexiones con este componente, pero si indicar los nombres de los contactos vinculados. En las siguientes imágenes pueden ver un ejemplo de uso.

 

Circuito sin enclavamiento mecánico


Circuito con enclavamiento mecánico

 

 

Motores paso a paso

Se agregan como componentes el motor paso a paso unipolar y bipolar:


Motores paso a paso

 

 

Controladores de motores paso a paso

Para controlar los motores PAP se incluyen también nuevos controladores en la barra de herramientas de potencia.

 


Controladores para motores PAP

 

 

Termostatos

Dentro de la barra de herramientas de sensores, se agregan dos versiones de termostato, con contactos normal abierto y normal cerrado.

 


Termostatos

 

 

Protectores contra sobretensiones permanentes

En la barra de herramientas de relés electrónicos podemos encontrar como novedad el agregado de dos protectores contra sobretensiones, uno monofásico y el otro trifásico.

 


Protectores contra sobretensiones

 

 

Relé con contacto conmutado

En la misma barra, también tenemos a disposición dos tipos de relés de contactos conmutados, uno de tipo SPST y el otro SPDT

 


Relé de contacto conmutado

 

 

Temporizador pulso conexión

Este nuevo temporizador, dentro la barra de herramientas de lógica, activa su salida al detectar un pulso en su entrada, manteniendo la misma el tiempo que esté configurado.

 


Temporizador pulso conexión

 

 

Contadores de 4 bits

También dentro de la barra de herramientas de lógica, en esta versión se añaden cuatro contadores de 4 bits con distintas funciones.

 


Contadores

 

 

Decodificador a 7 segmentos

Siguiendo en la misma barra de herramientas podemos encontrar un decodificador BCD a 7 segmentos.

 


Decodificador a 7 segmentos

 

 

Entrada “first scan”

Dentro de la barra de herramientas ladder, se agrega el componente “first scan”, una entrada especial que se pone en estado ON sólo la primera vez que funciona el programa, luego de lo cual se pone en estado OFF. Este tipo de entradas se utilizan cuando hace falta realizar alguna inicialización cuando el programa arranca.

 


Entrada “First scan”

 

 

Nuevos PLCs y módulos de ampliación

En el apartado de PLCs, en la barra de herramientas entrada/salida, vamos a encontrar varias novedades. Se agregó el módulo de ampliación de E/S digitales del Logo y del S7-1200. También se agrega el PLC S7-1500, el módulo de ampliación y los módulos descentralizados ET 200.

 


PLCs y módulos de ampliación

 

 

Arduino UNO

CADe_SIMU incluye ahora un Arduino UNO que podemos incluir en nuestros circuitos y simulaciones, también dentro de la barra de herramientas entrada/salida

 


Arduino UNO

 

 

Conductores de distintos espesores

Finalmente, esta versión de CADe_SIMU agrega la posibilidad de dibujar conductores de cuatro espesores diferentes.

 


Conductores de distinto espesor

 


3. SIMULACIÓN CON PC_SIMU y CADe_SIMU

 

El software CADe_SIMU es un clásico dentro de los programas dedicados al diseño y simulación de circuitos eléctricos. Sin las pretensiones de otros paquetes mas sofisticados, CADe_SIMU es una excelente opción para técnicos y estudiantes que quieren dibujar y poner a prueba sus diseños. Siendo totalmente gratuito tiene las funciones suficientes para diseñar y simular circuitos eléctricos o electromecánicos simples o de mediana complejidad. En este artículo veremos como utilizar CADE_SIMU junto a otro programa del mismo autor, PC_SIMU, lo que nos permitirá ampliar sus capacidades de simulación, agregando escenarios “del mundo real” que pueden interactuar con nuestro circuito.



PC_SIMU

Este programa fue originalmente diseñado para simular una planta industrial controlada por un PLC, por lo que puede trabajar en conexión directa con uno de ellos a través de un puerto serie o interactuando con el software simulador S7-200. Incluso se puede cargar un pequeño programa en lenguaje STEP 5. Pero además, a partir de la versión 2.0 de CADe_SIMU, también se puede emplear para interactuar con los circuitos diseñados con él.

 

PC_SIMU nos permite dibujar una planta industrial incluyendo gran cantidad de elementos, tanto eléctricos como mecánicos e incluso neumáticos, para lograr una simulación bastante completa de procesos industriales sencillos, de gran valor educativo. Algunos de los elementos que podemos incluir son: interruptores, pulsadores, selectores, teclados, preselectores, finales de carrera, detectores de proximidad, barreras infrarrojas, leds, displays, motores, cintas transportadoras, cilindros, actuadores de giro y ventosas neumáticas, puertas de garaje, depósitos o tolvas de líquidos y sólidos, electroválvulas, tuberías, objetos, topes, ascensores, etc.

 

No es la intención hacer un análisis exhaustivo de este programa, que está bastante documentado en la red.


 Pantalla de PC_SIMU y algunos de los elementos que se pueden usar en la simulación


La versión que utilizaremos es la 1.0, que es la última disponible, aunque en su blog el autor anuncia que pronto estará disponible la versión 2.0, con mas elementos para construir la simulación.

 

 

Interconexión con CADe_SIMU

Vamos entonces al propósito central de este artículo, explicar cómo podemos interconectar los dos programas. Para ello utilizaremos un ejemplo: controlar el portón de un garaje con dos pulsadores, uno que lo abre y otro que lo cierra. Para ello empezamos dibujando el circuito de control en CADe_SIMU, conectando los dos pulsadores (-S1 y -S2) a dos bobinas de contactores (-K1 y -K2), como se ve en la siguiente imagen:

Circuito de control en CADe_SIMU

 

 

Lo simulamos para asegurarnos de que todo funcione correctamente:


 


Ahora, en PC_Simu, construimos la simulación. En este caso agregamos el elemento “Puerta garaje”. Notarán que apenas hagan click en el ícono de “Puerta garaje” se nos muestran las opciones de ese objeto, a saber: Nombre, Entradas y Salidas relacionadas y Velocidad. El nombre podemos cambiarlo o dejarlo como está. Las Entradas y Salidas son las que originalmente se conectan al PLC para controlar el mecanismo de la puerta: una salida para abrir, una para cerrar y opcionalmente dos entradas de finales de carrera, para detectar que el portón se abrió y cerró en su totalidad.


Configuración del objeto “Puerta garaje” en PC_SIMU

 

Para nuestro ejemplo, vamos a desmarcar las entradas de los finales de carrera (porque no los vamos a usar) y dejamos los valores por omisión. Sólo recordemos que la apertura de la puerta se conecta a la salida Q0.0 y el cierre a la salida Q0.1. Nos quedará algo así:

 

La Puerta garaje en PC_SIMU

 

Ahora que tenemos las dos partes, procedemos a conectarlas. Para ello debemos volver a CADe_SIMU (hay que trabajar con los dos programas abiertos) y relacionamos las bobinas de los contactores -K1 y -K2 con dos “salidas” que simularán a las que acabamos de configurar en PC_SIMU. Para ello usamos un elemento nuevo en la versión 2.0 denominado “Entrada/Salida” que contiene tres elementos: Una tabla de entradas (I), una tabla de salidas (O) y un módulo LOGO.

 

 

Entrada/Salida en el menú de CADe_SIMU

 

 

Para nuestros fines, por ahora, emplearemos sólo la tabla de salidas, ubicándola cerca del circuito. Le hacemos doble click para editar sus propiedades y asociamos -K1 con la salida Q0.0 y -K2 con la salida Q0.1. (hay que prestar especial atención y no cometer errores con los nombres).

 

Asociación de las contactoras con las salidas en CADe_SIMU

 

Una vez hecho esto ya hay una asociación entre los contactores, las salidas y el control de la puerta garaje (internamente esta asociación emplea el portapapeles de Windows, así que mientras se haga la simulación no podremos hacer operaciones de cortar y pegar).


Ya está todo listo y podemos ver la simulación en funcionamiento:



Como se puede ver, después de arrancar la simulación en los dos programas, la puerta de PC_SIMU se abre y se cierra al activar los contactores correspondientes de CADe_SIMU. Esta asociación puede hacerse en los dos sentidos, también podemos actuar en PC_SIMU y ver los resultados en CADE_SIMU. Para probar eso, agregaremos dos pulsadores al portón: uno Verde llamado “Pulsador Abre” asociado con la entrada I0.0 y otro de color Azul, llamado “Pulsador Cierra” y asociado a la entrada I0.1.



Agregamos dos pulsadores para controlar la puerta


 

Luego, volvemos a CADe_SIMU y agregamos una tabla de Entradas, asociando los pulsadores con estas mismas entradas:


Asociación de los pulsadores en CADe_SIMU

 

 

Hecho esto, volvemos a probar la simulación:


 

 















ATRÁS






INICIO






       































































































































































































































































































































Bienvenidos al mundo de la Tecnología