T1
TECNOLOGÍA - 3º ESO





TIC
 




Tema 1. Técnicas de expresión y comunicación gráfica









    1. INTRODUCCIÓN

    2. LAS VISTAS

    3. LAS PERSPECTIVAS

    4. ESCALAS

    5. ACOTACIÓN

    5.1. ROTULACIÓN. CARACTERES ALFANUMÉRICOS

    5.2. LAS LÍNEAS. TIPO DE LÍNEAS

    6. INSTRUMENTOS DE MEDIDA

    7. DIBUJO POR ORDENADOR

    7.1. TIPOS DE IMÁGENES DIGITALES

    7.2. DIBUJO TÉCNICO CON LIBRECAD

    7.2.1. Conceptos de dibujo técnico por ordenador

    7.2.2. Primeros pasos con LibreCAD

    7.2.3. Sistemas de coordenadas

    7.2.4. Dibujo de entidades

    7.2.5. Dibujo con la rejilla

    7.2.6. Acotaciones

    8. DIBUJO E IMPRESIÓN EN 3D


























1.   INTRODUCCIÓN

 

Las personas tenemos una necesidad innata de comunicarnos. Mucho antes de que apareciese el lenguaje escrito ya dibujábamos. El dibujo cubre esa necesidad humana de expresión y transmisión de ideas y sentimientos.

Se distinguen dos tipos: el dibujo artístico, libre y sin restricciones, que juega con las texturas, los colores y una amplia diversidad de técnicas plásticas; y el dibujo técnico, que se desarrolló para disponer de un lenguaje universal de comunicación de ideas que permitiese a técnicos y científicos transmitir sus conocimientos para la construcción de objetos.

En la práctica, la distinción no es tan rígida. Los artistas necesitan dominar las técnicas de dibujo técnico, pues las emplean en muchas de sus obras. Por otra parte, ingenieros, arquitectos y científicos también pueden aplicar técnicas artísticas en la presentación final de sus obras para dotarlas de mayor expresividad.

En Tecnología es muy común el uso de dibujos técnicos para la realización de bocetos y planos. Se trata de dibujos claros y concisos, sin adornos ni colores, ya que no puede haber dudas sobre la forma y dimensiones del objeto que se representa.

En esta unidad nos centraremos en el dibujo técnico.

 

 

 

2. LAS VISTAS

En dibujo técnico, se dibujan objetos para ser construidos posteriormente, se suelen emplear las vistas para representar un objeto tridimensional de manera fácil.

Las vistas son representaciones ortogonales (perpendiculares) de un objeto tridimensional. Cada objeto tridimensional tiene seis vistas distintas, pero en tecnología se suelen dibujar solo tres, ya que con estas es suficiente para representar la mayoría de los objetos (Algunas veces solo se necesitan dos vistas).

Las vistas se denominan:


Alzado: Es la vista frontal del objeto. Se elige aquella que proporciona la mayor cantidad de información posible.


Perfil: Es la vista lateral izquierda del objeto. Se dibuja a la derecha del Alzado.


Planta: Es la vista superior. Se dibuja debajo del Alzado.

 

Para representar piezas mediante un sistema, las vistas siempre se dibujan en el mismo orden y posición. Un detalle importante a tener en cuenta es la coincidencia de dimensiones:


La anchura de la planta y del alzado es la misma


La altura del alzado y de ambos perfiles debe coincidir


La profundidad de la planta y del perfil es igual

 

También es imprescindible orientar correctamente la planta con respecto al alzado y al perfil para que el resultado tenga sentido. Prolongar horizontal y verticalmente las aristas nos ayudará a hacerlo.

 

Un error muy frecuente en los principiantes es no orientar bien la planta con respecto al alzado y dibujarla girada.

 
 

 

Aquí os dejo un cuaderno para prácticar las vistas (Nivel elemental):





Web para hacer los dibujos de la siguiente ficha de vistas:

 

 

http://www.educacionplastica.net/3dcube_model/vistas_3d_2x2.html



3. LAS PERSPECTIVAS

 

La perspectiva es la técnica que permite crear la sensación de espacio cuando se dibuja sobre una superficie plana. Para ayudarnos a dibujar en perspectiva es habitual trazar unos ejes de referencia o utilizar una plantilla. Tanto las plantillas como la orientación de los ejes son distintas dependiendo del tipo de perspectiva.

 

Para dibujar en perspectiva isométrica se trazan los tres ejes de referencia formando entre sí ángulos de 120°. También se puede emplear una plantilla formada por triángulos equiláteros para facilitar la representación de piezas.

 

Aunque al dibujar en perspectiva isométrica es habitual no usar ningún coeficiente de reducción y mantener las proporciones en los tres ejes, la norma indica que se aplique al dibujo isométrico un coeficiente de reducción de 0,82 a todos ellos. De esa manera, se mantiene la apariencia respecto al objeto real aunque el dibujo resultante sea un poco mayor.


La perspectiva caballera muestra el alzado de la figura en verdadera magnitud, mientras que las imágenes correspondientes a planta y perfil sufren una ligera deformación para dar la sensación de profundidad.

 

Para dibujar en perspectiva caballera se trazan dos ejes perpendiculares (y, z) y el tercero (x) inclinado entre 120° y 150° con respecto a los otros dos. Lo más habitual es que el tercer eje, x, esté inclinado 135° con respecto a y, z, si lo proyectamos hacia delante. También se puede emplear una plantilla cuadriculada para dibujar.

 

Para que la figura resulte realista, hay que aplicar un coeficiente de reducción a los planos proyectados sobre el eje inclinado. El coeficiente más cómodo de emplear es ½, aunque también es frecuente emplear ⅔, o √2⁄2.

 

El modo de dibujar en caballera es el siguiente:

 

Dibujar el alzado en verdadera magnitud. Si se emplea la plantilla cuadriculada, a cada unidad de medida de la figura real debe corresponder un cuadrado de la plantilla (si no usamos una escala diferente).

 

Para trazar las líneas paralelas al eje inclinado, se aplica la escala de reducción √2⁄2 que se corresponde con la diagonal de cada cuadrado.

 

Si se trazan los ejes sobre una hoja en blanco, es más sencillo emplear el coeficiente de reducción ½.

 

Como se puede ver en el ejemplo, la aplicación de distintos coeficientes de reducción modifica el aspecto final del objeto.

 

Existen otras proyecciones, pero la que más se aproxima a la percepción visual que tenemos las personas de los objetos es la perspectiva cónica. También es la más complicada de dibujar. Aquí vamos a conocer los tipos de perspectivas cónicas que hay, ya que es muy empleada en arte, arquitectura y en simulaciones por ordenador de espacios fotorrealísticos.

 

Dependiendo de la posición de la persona respecto al objeto observado, se distinguen tres tipos de perspectiva cónica:

 

Perspectiva frontal. El punto de vista está situado frente al objeto. Las caras de los objetos están paralelas al plano de proyección. Tienen un punto de fuga situado sobre la línea del horizonte.

 

Perspectiva oblicua de dos puntos. El plano del cuadro o de proyección no es paralelo a las caras principales del objeto. Aparecen dos puntos de fuga.

 

Perspectiva aérea. El punto de vista está situado de forma que la línea del horizonte está muy alta o muy baja con respecto a su posición. Se precisa un tercer punto de fuga que se sitúa en una línea perpendicular a la de horizonte.

 

 

 


Os dejo un cuaderno de perspectivas de nivel elemental:



 

Web para hacer los dibujos de la ficha de perspectivas:

 

http://www.educacionplastica.net/zirkel/pieza_iso2_00.html



APP DE DIBUJO ISOMETRICO EN EL MOVIL (RAULTECNOLOGÍA)

https://play.google.com/store/apps/details?id=appinventor.ai_raulprofetecnologia.isometrico_raultecnologia&hl=es

 

 

4. ESCALAS

La escala es la relación entre las dimensiones del objeto representado y las del objeto real. La utilidad de la escala es la de poder representar cualquier objeto en un formato de medidas estándar como son los dibujos sobre papel.

 

 

 

La escala no solo se emplea en dibujo y en el trazado de planos, sino que también se aplica en la construcción de maquetas y modelos. Para que la persona que lee el plano entienda las dimensiones reales del objeto se han de seguir unas normas de denominación de cuántas veces se han ampliado o reducido las dimensiones del objeto en su representación.

 

Así, hay tres tipos de escalas:

 

Escala natural. El tamaño del objeto representado coincide con el del modelo real. Se emplea sobre todo en fabricación de piezas. Se escribe 1:1.

 

Escala de reducción. La representación del objeto es menor que el modelo real. En la fabricación de piezas es frecuente emplear escalas 1:2 (el dibujo o maqueta es de la mitad de tamaño que el real) o 1:5. En los planos de viviendas se usan con frecuencia escalas entre 1:50 y 1:100. Para los mapas de terrenos se pueden encontrar planos a partir de 1:25000.

 

Escala de ampliación. La representación del objeto es mayor que el modelo real. Se utiliza para representar piezas muy pequeñas. Ejemplos de este tipo de escalas serían 2:1 (el dibujo es del doble de tamaño que el objeto real), 5:1 o 10:1.

 

 

 

 

ACTIVIDADES (1)

 

Realiza las el siguientes actividades en el cuaderno:

 
1. ¿Para qué se utilizan las escalas en dibujo técnico y qué tipos de escalas existen?


      2. Quiero dibujar los planos de un chalet de planta rectangular, que mide 8 m de largo y 6 m de ancho. ¿A qué escala debo dibujarlo para que quepa
           en un papel formato A4 (210 mm x 297 mm)?. Indica las operaciones que has realizado.

 

 

5. ACOTACIÓN

 
La acotación es el proceso por medio del cual quedan reflejadas en un plano las medidas reales de un objeto. Se llama cota a cada una de las medidas del objeto que han sido anotadas en el plano.



En general entendemos por acotación el conjunto de normas y principios generales encaminados a clarificar y definir con precisión la forma y las dimensiones de los dibujos técnicos. Basta con observar cualquier dibujo para darse cuenta de que son dos los elementos principales que lo definen: los caracteres alfanuméricos y las líneas


El fin de la acotación es conseguir una interpretación fiel y sin dudas del objeto representado, de modo que pueda ser fabricado sin necesidad de ninguna otra información. En los planos de fabricación de piezas las medidas lineales están en centímetros y los ángulos en grados. Si se fuera a usar una unidad de medida diferente, hay que especificarlo anotándolo en el cuadro de rotulación de la lámina.



5.1. Rotulación. Caracteres alfanuméricos.

Los números, letras, signos y observaciones que se escriben en un plano se denominan caracteres alfanuméricos. La forma de escribir estos caracteres en un dibujo técnico también está normalizada, de manera que se relaciona el grosos con la altura de la letra.



Llamamos rotulación al conjutno de todas aquellas letras, números y signos que acompañan al dibujo técnico.



La normativa establece todo lo referente a la forma y las proporciones de las letras. El grosor del trazo, la anchura de la letra y la distancia entre palabras y letras son valores que se encuentran relacionados con la altura de la letra, por lo que no se puede escribir de una forma caprichosa en los planos.

En primer lugar se decide la altura de la letra que mejor se adapte al dibujo y después se utilizará un estilógrafo o rotulador, cuyo grosos sea aproximadamente de 1/10 de su altura. En la Figura 5.4 se han representado los métodos para rotular más empleados:







 
5.2. Las líneas. Tipos de líneas.




Tanto las líneas como los caracteres que se rotulan se encuentran normalizados. Es decir, su representación se debe realizar siguiendo unas normas de interpretación universales, entre las que se encuentran el grosor e intensidad de línea, el tipo de flecha, etc.



Dentro de las líneas podemos distinguir, las líneas que definen el dibujo y las líneas auxiliares de cota y referencia.



a) Líneas que definen el dibujo



Las líneas que definen el dibujo son principalmente de dos tipos:


Líneas continuas gruesas.
Se utilizan para el contorno de pieza y aristas visibles. (1)
Líneas de trazos gruesos.. Se emplean para representar aristas ocultas. (2)








b) Líneas auxiliares de cota y referencia.


Se emplean para indicar las dimensiones del objeto representado u otros detalles y se componen a su vez de varios elementos
(3) (4) (5). Como se observa en la imagen adjunta, las cotas se componen de:

 

Líneas auxiliares de cota. Establecen los límites de la línea de cota. Son perpendiculares al objeto acotado. Sobresalen de la línea de cota 2 mm. Se trazan en línea continua de 0,2 mm.

 

Línea de cota. Paralela al elemento que se está acotando. Es una delgada línea continua que se delinea con rotulador calibrado de 0,2 mm. Está separada al menos 7 mm de la arista que acota.

 

Flechas de cota. Son ayudas visuales para indicar los extremos de la línea de cota. Sus lados forman un ángulo de 15° aproximadamente. Cuando se acotan varios elementos sucesivos, es posible sustituir las flechas por líneas cortas inclinadas 45°.

 

Cifra de cota, normalmente en cm. Se sitúa centrada sobre la línea de cota. Se tienen que leer en la posición natural del plano o girándolo 90° a la derecha.

 

 

 

Normas de acotación

Al acotar una pieza es necesario respetar una serie de normas:


 


 

 

 

 

 


 

NUNCA DE DEBEN TOCAR LAS ARISTAS DE LA FIGURA CON LAS FLECHAS DE COTA.

 

LAS LÍNEAS INCLINADAS NO SE ACOTAN, YA QUE SU MEDIDA NO ES NECESARIA

 



 

 
Si la cota no cabe entre la líneas de cota, se pone así:

 

Cuando tenemos figura con muchas medidas seguidas, tenemos dos métodos para acotarla: en serie y en paralelo

Acotación en serie                                                               Acotación en paralelo

 

 

 

ACOTACIÓN DE CÍCULOS

 


 

 

 

ACTIVIDADES (2)

 

Dibuja la siguientes figuras en tu cuaderno y acótalas correctamente según las normas vistas anteriormente.

 

 


Acotación de vistas y de perspectivas

 

Al igual que con las piezas simples, si tenemos que acotar una pieza por sus vistas, hay que utilizar el mínimo número de cotas, que repartiremos entra las tres vistas, para no llenar el dibujo de líneas.

 
En los dibujos de perspectiva, hay que tener en cuenta que todas las líneas de cota han de ser paralelas a las líneas que acotan.

 
 


 

Vistas acotadas

 

 

 

 

 

 

Perspectiva isométrica acotada

 

 
 

 

6. INTRUMENTOS DE MEDIDA

 
En la fabricación de piezas es necesario realizar medidas de longitud de gran precisión, tanto si las piezas son muy pequeñas como si queremos que encajen a la perfección en el diseño. Las conocidas cintas métricas y reglas graduadas, incluyendo el escalímetro, nos proporcionan una precisión de milímetros. Para alcanzar precisiones de décimas, centésimas o milésimas de milímetro hay que recurrir a instrumentos como el calibre y el micrómetro.

 
El calibre o pie de rey nos permite medir diámetros externos e internos y la profundidad de piezas con precisiones que oscilan entre 1/10 y 1/50 de milímetro. La clave está en la presencia del nonio, que es una escala auxiliar que se desliza sobre la escala principal y nos permite averiguar por medio de una sencilla operación aritmética la fracción de milímetro que mide un objeto.

 

 

TEN EN CUENTA

 
Todos los calibres llevan grabada una inscripción que indica su precisión, normalmente está en la escala del nonio. Puede venir en forma de fracción o, más frecuentemente, en forma decimal:

 

1/10 mm = 0,1 mm                    1/20 mm = 0,05 mm                       1/50 mm = 0,02 mm

 
La medida se obtiene sumando dos cantidades:

 

* La parte correspondiente a la escala principal es la que queda justo antes del cero de la escala móvil del nonio.

 

*A continuación hay que encontrar la línea de la escala del nonio que coincide exactamente con otra línea de la escala principal. Ese será el valor de la fracción de milímetro que mide el calibre.

 
En la imagen del ejemplo, antes del cero del nonio hay marcados 29 mm, esa es la parte entera. La parte decimal la encontramos al descubrir que la línea del nonio que coincide justo con otra línea de la escala principal es 1,5, es decir, 0,15 mm. Sumamos este resultado a la parte entera y queda un total de 29,15 mm.

 

 

Simulador de calibre virtual: https://www.stefanelli.eng.br/es/calibre-virtual-simulador-milimetro-05/

 

 
Con el micrómetro se pueden medir piezas pequeñas. Con este instrumento se llegan a alcanzar precisiones en el orden de las centésimas y las milésimas de milímetro. Consta de las siguientes partes:

 

Cuerpo. Con forma de arco de herradura. Robusto y fabricado especialmente para que no sufra deformaciones con los cambios de temperatura.

 

Tope. Punto fijo plano que marca el cero de la medida. Está hecho de metal duro para evitar que se desgaste con el roce.

 

Espiga. Parte móvil que se ajusta para realizar las medidas, también acaba en un tope de metal duro. Está unida a un tornillo con un paso de rosca muy pequeño para aproximar con precisión el extremo de la espiga a la pieza que se desea medir.

 

Palanca de fijación. Bloquea el movimiento de la espiga para no perder la medida.

 

Trinquete. Pieza que protege al micrómetro y da fiabilidad a las medidas. Su función es evitar que una excesiva presión sobre la pieza falsee el valor obtenido y se pueda producir una avería en el mecanismo.

 

Tambor móvil. Va unido a la espiga, de forma que se mueven al unísono. Tiene una escala graduada para dar la parte decimal correspondiente a la medida.

 

Tambor fijo. Está unido al cuerpo. Tiene una escala graduada en un paso de 0,5 mm, que va quedando descubierta a medida que giramos el tambor móvil para abrir el hueco en el que situar la pieza. Las marcas de medida se alternan encima y debajo de la línea central de referencia.

 

La forma de medir con el micrómetro es la siguiente:

 

Se coloca la pieza entre los dos topes.


Se comprueba hasta qué línea ha quedado descubierto el tambor fijo. ¡Atención a las marcas de 0,5 milímetros!


La parte centesimal nos la da la marca del tambor móvil que queda alineada con la línea central de referencia.


 

 

Simulador de micrómetro online: https://www.stefanelli.eng.br/es/micrometro-virtual-centesimas-milimetro-simulador/



 

ACTIVIDADES (3)

 

  Indica las medidas que marcan los siguientes calibres y micrómetros:

 

 

 

 

 

 

 

 

 

 

 

 

7. DIBUJO POR ORDENADOR

 

Hasta hace poco, los dibujos técnicos debían realizarse a mano sobre papel, pero actualmente, los dibujos se realizan mediante el ordenador por las muchas ventajas que representa respecto al dibujo en papel:

 

  Es fácil corregir los fallos.

  Pueden imprimirse tantas copias como se deseen.

  Se puede hacer un plano base y cambiarlo para realizar los distintos dibujos.

  Puede se enviado por Internet.

  Es más fácil guardarlos.

 

En este tema vamos a aprender a realizar dibujos técnicos mediante un programa gratuito llamado LibreCad.

 

 

7.1. TIPOS DE IMÁGENES DIGITALES

 

Las imágenes digitales son, principalmente de dos tipos: Imágenes de mapa de bits y gráficos vectoriales.

 

  Las imágenes de mapa de bits o bitmaps, que representan la imagen punto por punto siguiendo un orden de filas y columnas formando lo que se denominan un mapa de bits. A cada punto de la pantalla (píxel) se le asigna un color. La cantidad máxima de tonos de colores distintos que puede tener cada uno de los puntos que forman la imagen se denomina profundidad de color. Cuando se amplía o se reduce el original, aumenta o disminuye el tamaño del píxel, por lo que empeora la calidad de la imagen. Los programas que utilizan este sistema son, entre otros: Photoshop, Paint, Picture Publisher...

 

  Los gráficos vectoriales, que dibujan objetos basados en ecuaciones matemáticas. Las imágenes se pueden manipular (ampliar, reducir, distorsionar..) sin perder calidad. Son más difíciles que usar pero admiten dibujos más precisos y complejos. LibreCad pertenece a este tipo de programas, ya que para el dibujo técnico se requiere mucha precisión.

 

 

Antes de entrar en los conceptos básicos sobre CAD, conviene recordar cómo proceder a la instalación de la aplicación. Si el entorno es linux (Guadalinex, Ubuntu...) la solución es simple, bastaría acceder a “Añadir y quitar “ del menú “Aplicaciones” y tras escribir el nombre de la aplicación en la caja de búsqueda, haríamos “clic” para su instalación, aunque es posible que de forma predeterminada ya está instalado. ¡Compruébalo!.

 

 

Actividades (4)

 

Realiza las siguientes actividades en tu cuaderno, copiando los enunciados completos.

 

1. ¿Qué es el dibujo técnico?.

2. ¿Qué ventajas tiene el dibujo con ordenador respecto al dibujo en papel?.

3. ¿En qué consisten los gráficos vectoriales?.

4. ¿En qué consiste el dibujo de mapa de bits?.

5. ¿Qué tipo de programa es QCAD?.

 

 



7. 2. DIBUJO TÉCNICO CON LIBRECAD

 

Los programas de ordenador que sirven para realizar e imprimir dibujos técnicos se llaman CAD (Diseño Asistido por Computador); el programa más famoso de este tipo para Windows es AutoCAD, de la empresa Autodesk, que es muy caro y por ello solo lo utilizan los profesionales (Arquitectos, ingenieros, delineantes, etc.).

La alternativa para Guadalinex es LibreCad, que como ya hemos mencionado, es un programa de gráficos vectoriales, que dibuja objetos a partir de sus ecuaciones matemáticas. Esto permite dibujos más precisos y que no pierden calidad al ampliarlos. (Por ejemplo, para representar una circunferencia el programa sólo tiene que almacenar unos cuantos datos: coordenadas del centro, valor del radio, color y espesor del trazo. Los dibujos realizados con estos programas ocupan poca memoria y son fácilmente modificables).

Podemos descargar LibreCad y sus manuales de forma gratuita y para cualquier sistema operativo en la siguiente dirección:

 

http://librecad.org/cms/home


 

7.2.1. Conceptos de dibujo técnico por ordenador

 

En un dibujo técnico realizado con ordenador se pueden distinguir los siguientes elementos:

 

  Entidades: Un dibujo está formado por un conjunto de entidades. Entidades de dibujo son líneas, arcos, circunferencias, elipses etc. El delineante fabricará el dibujo entidad a entidad y estas las podrá borrar y operar con ella una a una.

 

  Atributos: Cada entidad (línea, circunferencia, arco etc) tiene atributos, estos son: tipo de línea (continua, trazo y punto y trazos ) grosor y color.

 

  Capas: Los dibujos están organizados por capas (como si fuera un cuaderno de hojas transparentes). Una capa es un conjunto de entidades, normalmente con los mismos atributos (grosor, tipo de línea y color) y propiedades. Ejemplo de esto será cuando dibuje una pieza crearé la capa ejes donde estarán todos los ejes de la pieza con un determinado color, en línea de trazo y punto y con grosor de 0.2 mm. Continuando con el ejemplo de la pieza, crearé la capa contorno para dibujar los límites de la pieza, esta capa tendrá tipo de línea continua,

grosor 0.8 mm y color determinado. Se pueden crear las capas que se necesiten en un dibujo.

 

  Bloques: Los bloques son también grupos de entidades (líneas, arcos, circunferencias), que podemos insertar en un dibujo una o varias veces con distintos tamaños color o escalas y con distintos ángulos y puntos de inserción. Cuando un bloque es creado, todas las entidades que lo formaban se pegan unas a otras y se convierten en una sola entidad (bloqueo). Una vez que realizamos la inserción del bloque, si queremos modificar alguna de las entidades individualmente debemos explosionar el bloque (partirlo en entidades elementales). Al explosionar un bloque la apariencia del mismo no varia pero si se nos permite seleccionar entidades dentro del bloque.



7.2.2. Primeros pasos con LibreCad

 

Cuando ejecutamos LibreCad (Aplicaciones -> Graficos -> Librecad), aparece una ventana como esta:

 

En ella podemos distinguir las siguientes partes:

 

Barra de menus: Menú para acceder a las opciones del programa.

Barras de herramientas: Iconos para acceder a las opciones del programa.

Barra de dibujo: Iconos de acceso a las herramientas de dibujo.

Barra de estado: Ventana donde se muestran las coordenadas y se introducen los comandos.

Ventanas de capas y librerías: Donde se muestran las capas y librerías del dibujo.

Zona de trabajo: Ventana donde se realiza el dibujo.

 

 


Actividades (5)

 
Realiza las siguientes actividades en tu cuaderno, copiando los enunciados completos.

 

1. ¿Qué es un programa CAD?. Di el nombre de un programa CAD para Windows y otro para Guadalinex.

2. ¿Qué son las entidades en un dibujo técnico?.

3. ¿Qué son los atributos en un dibujo técnico?.

4. ¿Qué son las capas en un dibujo técnico CAD?.

5. ¿Qué utilidad pueden tener los bloques en un programa de CAD?.

6. Dibuja la ventana de QCAD y señala sus partes.

 

 



7.2.3. Sistemas de coordenadas

Cuando abrimos un nuevo dibujo, se crea en nuestra pantalla un papel de dimensiones teóricamente infinitas y para movernos por el, debemos tener referencia de cada punto.

Con objeto de localizar cada punto, podemos usar dos sistemas de coordenadas, las coordenadas cartesianas y las coordenadas polares.

 

Los dos sistemas de coordenadas tienen un mismo punto de origen absoluto. Este punto origen viene marcado en el dibujo por la intersección de dos líneas rojas que están normalmente en el ángulo inferior izquierdo del dibujo. El punto origen tiene las coordenadas 0,0 y es el lugar geométrico donde se produce la intersección del eje X con el eje Y.

 

 

 

a) Coordenadas Cartesianas

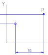
Para identificar un punto en el sistema cartesiano escribiremos su distancia proyectada en el eje X, seguido de una coma y su distancia de proyección en el eje Y, ejemplo P(40,30). En la barra de estado, que es la barra inferior de la pantalla de Qcad, en su margen izquierdo siempre aparece la información de la posición del puntero en coordenadas cartesianas.

 

 

b) Coordenadas polares

Para identificar un punto en coordenadas polares lo realizaremos con dos datos. El primer dato será su radio o distancia entre el centro y el punto, seguido del signo (<) y el ángulo que forma el radio con la horizontal. El ejemplo de punto propuesto en coordenadas cartesianas seria en coordenadas polares P(50<37).


 

EJEMPLO DE COORDENADAS CARTESIANAS RELATIVAS

 

 

Partimos del punto 10,20

Las coordenadas del punto P respecto al punto anterior serían P(@30,10)

 

 

EJEMPLO DE COORDENADAS POLARES RELATIVAS

 

 

Partimos del punto 10,20

Las coordenadas del punto P respecto al punto anterior serían P(@3.6<16.4)

 

 

 

7.2.4. Dibujo de entidades


La barra de herramientas contiene todos los botones necesarios para dibujar cualquier tipo de entidades.

 

 

 

El primer botón se utiliza para dibujar puntos; después de seleccionarlo hay que escribir las coordenadas del punto en la línea de comandos.

 

El segundo botón se utiliza para dibujar líneas; después de seleccionarlo hay que escribir las coordenadas del primer punto y después las coordenadas del segundo punto, en la línea de comandos.

 

Para dibujar una línea se han de seguir los pasos según el siguiente video:




 

 

 

Actividades  (6)

 
Abre el programa LibreCad realiza las siguientes actividades:


1) Dibuja los siguientes puntos:

      A(20,30) B(30,40) C(-20,50)

 
2) Dibuja un rectángulo mediante las siguientes coordenadas absolutas:


Punto inicial: 30,30

2º Punto: 60,30

3º Punto: 60,50

4º Punto: 30,50

Punto final: 30,30

 3) Dibuja un rectángulo mediante las siguientes coordenadas relativas:


Punto inicial: 70,30

2º Punto: @30,0

3º Punto: @0,20

4º Punto: @-30,0

Punto final: @0,-20

 4) Dibuja un rectángulo mediante las siguientes coordenadas polares:


Punto inicial: 30,0

2º Punto: @30<0

3º Punto: @20<90

4º Punto: @30<180

Punto final: @20<-90

 

5) Dibuja un rectángulo de 50 de altura y 100 de base con punto incial 0,0.

 
6) Dibuja la siguiente figura mediante las coordenadas absolutas de cada línea.

     

 

 

 

 

 

7.2.5. Dibujo con la rejilla


Cuando queremos realizar un dibujo rápido, sin medidas exactas, podemos recurrir a la rejilla de LibreCad. La rejilla nos permite guiarnos para realizar dibujos rápidos con el ratón.

 
Para activarla, pulsamos sobre el icono rejilla de la barra de herramientas.

 
Otra de las posibilidades de la rejilla, que es bastante interesante, consiste en forzar la rejilla, lo que hará que sólo podamos dibujar líneas con origen y final en los puntos de la rejilla.

 
Para activarla, pulsamos sobre el icono forzar rejilla de la barra de herramientas.

 
Si pulsamos sobre el menú Editar -> Preferencias del dibujo actual, nos sale un cuadro de diálogo en el que podremos cambiar el tipo de rejilla (ortogonal o isométrica), así como la separación entre los puntos del eje X y del eje Y.

 
También podemos elegir la Rejilla isométrica para realizar dibujos de piezas isométricas rápidamente.

 


 

 

2.7.6 Acotaciones

 
Las acotaciones se utilizan para indicar las medidas de las distintas partes de un dibujo. Con LibreCad es muy fácil añadir acotaciones; basta con elegir el tipo de cota que queremos del menú Cotas o elegir la opción Acotar de la barra de menús. Hay que señalar el punto inicial y el punto final de la entidad a acotar y después separar la línea de cota de dicha entidad.

 

 

Actividad (7)

 

En esta práctica vamos a dibujar el recuadro y el cajetín que ha de llevar todos los dibujos técnicos y nos va a servir para futuros dibujos.

 


1) Ejecuta el programa LIBRECAD que se encuentra como siempre en:

Aplicaciones -> Gráficos -> Librecad

 
2) Dibuja un recuadro que represente el contorno del folio, para ello, elige del menú de líneas, el botón rectángulo.

En la línea de comandos escribe 0,0 para la primera esquina y 210,297 para la segunda esquina.

 
3) Crea una nueva capa y ponle de nombre “Recuadro”, y de grosor de línea 0,8 mm.

 
4) Dibuja en esta capa un rectángulo de coordenadas 25,5 para la primera esquina y @180,287 para la segunda esquina.

 
5) Dibuja las dos líneas horizontales del cajetín, cuyas coordenadas son:

25,21 y 205,21           para la de abajo y

25,37 y 205,37           para la de arriba

6) Elige un grosor de línea de 0,4 mm y dibuja las 5 líneas verticales del cajetín, cuyas coordenadas son las siguientes:

            50,37 y 50,5

            72,37 y 72,21

            94,37 y 94,21

            127,37 y 127,21

            150,21 y 150,5

 7) Elige un grosor de línea de 0,2 mm y dibuja las 2 líneas horizontales interiores del cajetín, cuyas coordenadas son las siguientes:

            25,29 y 94,29

            150,13 y 205,13

 8) Activa la rejilla con una separación de 1 cm. tanto horizontal como vertical y dibuja el desarrollo de un cubo de 5 cm. de lado.

      El dibujo tiene que quedar como el siguiente:

 

 

 


 

Actividad (8)

 


Ayudándote de la rejilla dibuja y acota las siguientes figuras en perspectiva caballera

 

      

 

 

 

8. DIBUJO E IMPRESIÓN EN 3D

 

En la siguiente página web se pueden diseñar fácilmente figuras 3D a partir de formas básicas, que pueden ser sumadas o restadas para conseguir nuevas formas.

 

https://bitbloq.cc/app/edit-document/local/3d/new

 

Al entrar en la página anterior, nos aparece el área de trabajo como se muestra en la siguiente imagen, en la que se han señalado las partes principales.


 

 

El funcionamiento del programa es muy sencillo, se elige una forma básica del menú de formas, que se coloca en el centro de la superficie de trabajo (Cada cuadrito pequeño de la superficie de trabajo representa 1 mm).

 

Mediante el menú de posición podemos cambiar la posición del objeto insertado, la rotación y la escala, así como su color.

 

Con el ratón podemos mover el objeto para verlo desde cualquier posición y con la rueda del ratón podemos acercarlo o alejarlo.

 

En el botón [ +Añadir objeto ] tenemos una lista de las formas básicas insertadas, si seleccionamos varias de ellas con el ratón y manteniendo la tecla CTRL pulsada, se activan los botones que nos permiten sumar o restar dichas formas básicas para obtener formas más complejas.

 

 

Mediante el menú Archivo se puede guardar la escena creada en formato STL, que se un tipo de archivo que se utiliza para imprimirla en 3D mediante una impresora 3D.

Además podemos descargar el documento en nuestro ordenador y importar un archivo desde el mismo.

 

Si nos hemos registrado, los objetos que creamos quedan guardados automáticamente en la nube y se muestran al entrar en la página.

 

 

El programa tiene un modo avanzado en el que se pueden hacer otras funciones más complejas como reflejar un objeto, multiplicarlo, etc.

 

 

Actividad (9)

 

Accede al editor de objetos 3D de bq: https://bitbloq.cc/app/edit-document/local/3d/new

Pulsa en el botón ARCHIVO -> NUEVO DOCUMENTO

Cuando realices la actividad que se describe, pulsa ARCHIVO -> DESCARGAR DOCUMENTO y compártelo con tu profesor.

 

Existen otros entornos de diseño 3D gratuitos, algunos de los más utilizados son:

Thinkercad: Online, muy parecido al de BQ que hemos visto.

OpenScad: No es online, es gratuito y utiliza coordenadas paramétricas, por lo que es más complejo, pero se consiguen todo tipo de objetos, por muy complicados que sean.

FreeCAD: No es online, es gratuito y muy potente.

 

 

 Thinkercad

 

 OpenScad

 

 FreeCAD


 

 

 

 

Manejo básico de Tinkercad

 

Ejercicios básicos con Tinkercad

 
















ATRÁS






INICIO






       


































































































































































































































































































































Bienvenidos al mundo de la Tecnología