TE4
TECNOLOGÍA - 4º ESO




TIC


Tema 5. Neumática e Hidraúlica



ÍNDICE

1.    INTRODUCCIÓN

2.    HISTORIA

2.1.   Historia de la neumática

2.2.   Historia de la hidráulica

3.     PROPIEDADES DE LOS FLUIDOS. PRINCIPIOS

BÁSICOS

3.1.    El aire comprimido

3.3.1. Fundamentos físicos

3.2.    Fluidos hidráulicos

4.     ELEMENTOS BÁSICOS DE UN C. NEUMÁTICO

4.1.   Producción y distribución del aire comprimido

4.2.   Tuberías y conductos

4.3.    Elementos para mantenimiento del a. comprimido

4.4.    Elementos de trabajo: actuadores

4.4.1. Actuadores lineales

4.4.2. Actuadores rotativos

4.5.    Elementos de mando: válvulas                      ACTIVIDADES INTERACTIVAS

5.     DISEÑO DE CIRCUITOS NEUMÁTICOS

5.1.   Circuitos típicos

6.     ELEMENTOS BÁSICOS DE UN C. HIDRÁULICO

7.     SIMULACIÓN DE CIRCUITOS













1. INTRODUCCIÓN


Los sistemas neumáticos e hidráulicos se encuentran difundidos por todos los ámbitos, riego de campos, instalaciones de agua potable y de desechos, en los vehículos autopropulsados utilizados en el transporte, aire acondicionado, etc. Sin embargo es en la industria donde nos interesa conocer cuál ha sido su implantación.

2. HISTORIA


Al contrario de lo que pueda parecer, el uso de la neumática y la hidráulica se remonta a la prehistoria, como veremos a continuación.

 

2.1. Historia de la neumática

El fluido que utiliza la neumática es el aire comprimido, y es una de las formas de energía más antiguas utilizadas por el hombre.

 

 

*  Su utilización se remonta al Neolítico, cuando aparecieron los primeros fuelles de mano, para avivar el fuego de fundiciones o para airear minas de extracción de minerales.

 

*  Hasta el siglo XVII, la utilización del aire a presión como energía, se realiza en algunas máquinas y mecanismos, como la catapulta de aire comprimido del griego Ktesibios, o la descripción en el siglo I de diversos mecanismos que son accionados por aire caliente.

 

*  A partir del siglo XVII, se comienza el estudio sistemático de los gases, y con ello, comienza el desarrollo tecnológico de las diferentes aplicaciones del aire comprimido.


*  En el siglo XVIII se construye el primer compresor alternativo, en el XIX, se utiliza como fuente energética para perforadoras de percusión, sistemas de correos, frenos de trenes, ascensores, etc.

 

*  A finales del siglo XIX, se deja de desarrollar debido a la competencia de otros tipos de energía (máquinas de vapor, motores y electricidad).

 

*  A finales de la Segunda Guerra Mundial, reaparece de nuevo la utilización a gran escala del aire comprimido como fuente de energía, debido, sobre todo, a las nuevas exigencias de automatización y racionalización del trabajo en las industrias, estando hoy en día ampliamente implantado en todo tipo de industria.

 

2.2. Historia de la hidráulica

El fluido que se utiliza en la hidráulica en principio es el agua.

 

*  La utilización del agua data de muy antiguo. Se conocen obras riego que ya existían en la antigua Mesopotámica. En Nipur (Babilonia) existían colectores de agua negras, desde el año 3.750 AC.

 

*  En Egipto también se realizaron grandes obras de riego, 25 siglos AC.

 

*  El primer sistema de abastecimiento de agua estaba en Asiría año 691 AC.

 

*  El tratado sobre el cuerpo flotante de Arquímedes y algunos principios de Hidrostática datan de 250 AC.

 

*  La bomba de Pitón fue concebida 200 AC. Los grandes acueductos romanos empiezan a construirse a partir del 312 AC.

 

*  En el siglo XVI, la atención de los filósofos se centra en los proyectos de fuentes de agua monumentales. Contribuyen en este sentido Leonardo Da Vinci, Galileo, Torricelli, y Bernoulli.

 

*  A Euler se deben las primeras ecuaciones para el movimiento de fluidos.

 

*  En el siglo XIX, con el desarrollo de tubos de hierro fundido, capaces de resistir presiones internas elevadas, la hidráulica tuvo un desarrollo rápido y acentuado.

 

 


 

Sin embargo hoy en día se utiliza el aceite en buena parte de aplicaciones industriales, ya que produce menor corrosión sobre los conductos y además se puede utilizar como refrigerante.

Las aplicaciones son muy variadas.

 

*  En el transporte: excavadoras, tractores, grúas, en frenos, suspensiones, etc.

 

*  En la industria: para controlar, impulsar, posicionar, y mecanizar elementos propios de la línea de producción.

 

 

 

 

Actividades (1)

 

Realiza las siguientes actividades en tu cuaderno copiando los enunciados completos:

 

1.  ¿A cuándo se remonta la utilización de la neumática?

2.  ¿Cuándo se comienza el estudio teórico de los gases?

3.  ¿Por qué se deja de desarrollar la energía neumática como fuente de energía en el siglo XIX?

4.  ¿Cuándo vuelve a utilizarse la energía neumática?

5.  ¿Qué fluido se solía utilizar al principio en la hidráulica y cual se emplea actualmente?, ¿Por qué?

6.  ¿Qué aplicaciones tiene la hidráulica hoy día?

 

 

 

3. PROPIEDADES DE LOS FLUIDOS, PRINCIPIOS BÁSICOS

Las magnitudes que definen a los fluidos son la presión, el caudal y la potencia:

 

Presión: se define como la relación entre la fuerza ejercida sobre la superficie de un cuerpo.

 

 

Las unidades que se utilizan para la presión son: 1 atmósfera ≈ 1 bar = 1 kg/cm2 = 105 pascal

 

Caudal: es la cantidad de fluido que atraviesa la unidad de superficie en la unidad de tiempo.

 

 

Potencia: es la presión que ejercemos multiplicada por el caudal.

 

 

 

3.1. El aire comprimido

El aire comprimido que se emplea en la industria procede del exterior. Se comprime hasta alcanzar una presión de unos 6 bares de presión, con respecto a la atmosférica (presión relativa).

 

Presión absoluta = Presión atmosférica + Presión relativa


Los manómetros indican el valor de presión relativa que estamos utilizando.

Para su estudio se considera como un gas perfecto (Que no varía sus propiedades con la temperatura y no se puede comprimir).

 

Las ventajas que podemos destacar del aire comprimido son:

 

*  Es abundante (disponible de manera ilimitada).

*  Transportable (fácilmente transportable, además los conductos de retorno son innecesarios).

*  Se puede almacenar (permite el almacenamiento en depósitos).

*  Resistente a las variaciones de temperatura.

*  Es seguro, antideflagrante (no existe peligro de explosión ni incendio).

*  Limpio (lo que es importante para industrias como las químicas, alimentarias, textiles, etc.).

*  Los elementos que constituyen un sistema neumático, son simples y de fácil comprensión.

*  La velocidad de trabajo es alta.

*  Tanto la velocidad como las fuerzas son regulables de una manera continua.

*  Aguanta bien las sobrecargas (no existen riesgos de sobrecarga, ya que cuando ésta existe, el elemento de trabajo simplemente para sin daño alguno).

 

 

Las mayores desventajas que posee frente a otros tipos de fuente de energía, son:

 

*  Necesita de preparación antes de su utilización (eliminación de impurezas y humedad).

*  Debido a la compresibilidad del aire, no permite velocidades de los elementos de trabajo regulares y constantes.

*  Los esfuerzos de trabajo son limitados (de 20 a 30000 N).

*  Es ruidoso, debido a los escapes de aire después de su utilización.

*  Es costoso. Es una energía cara, que en cierto punto es compensada por el buen rendimiento y la facilidad de implantación.

 

La composición aproximada en volumen del aire es:

 

 

3.1.1. Fundamentos físicos

 

Las relaciones matemáticas utilizadas para presiones del aire inferior a los 12 bares, son las correspondientes a las de los gases perfectos.

La ley de los gases perfectos relaciona tres magnitudes, presión (P), volumen (V) y temperatura (T), mediante la siguiente fórmula:



Las tres magnitudes P, V y T pueden variar, pero si mantenemos constante una de ellas, la ley de los gases perfectos queda reducida y podemos establecer la relación entre dos estados distintos, según se resume en la siguiente tabla:

 

 

Ejemplos:

1. Si tenemos una jeringuilla que contiene 0,02 m3 de aire comprimido a presión 1 atmósfera, ¿Cuál será el volumen que ocupa dicho aire si sometemos dicha jeringuilla a una presión de 2 atmósferas?.



 

2. Un litro de aire es calentado a presión constante desde 18 °C hasta 58 °C, ¿qué volumen final ocupará el aire?.



 

3. ¿Cuál será la presión de una masa de aire al ser calentado de 20 °C a 140 °C si su presión inicial es de 4 atmósferas?



 

 

Actividades (2)

Realiza las siguientes actividades en tu cuaderno copiando los enunciados completos:

 

1. ¿Qué ventajas tiene la utilización del aire comprimido en la neumática?.

2. ¿Qué desventajas tiene la utilización del aire comprimido en la neumática?.

3. Un pistón contiene 25 cm3 de aire en su interior a la presión atmosférica. ¿Qué volumen ocupará dicho aire si se somete el pistón a una presión de 5 atmósferas?.

4. Si calentamos un recipiente lleno con 3 litro de aire desde los 10 °C a 100 °C, manteniendo su presión constante, ¿Qué volumen ocupará el aire?.

5. Una olla cerrada mantiene en su interior una masa de aire a una presión de 5 atmósferas, si calentamos el aire desde la temperatura ambiente de 25 °C y hasta los 200 °C, ¿Qué presión alcanzará?.

 

 

 

3.2. Fluidos hidráulicos

 

Cuando el fluido que utilizamos no es el aire, si no un líquido que no se puede comprimir, agua, aceite, u otro. Los fundamentos físicos de los gases se cumplen considerando el volumen constante.

 

Una consecuencia directa de estos fundamentos es el llamado Principio de Pascal, que dice:



"Cuando se aplica presión a un fluido encerrado en un recipiente, esta presión se transmite instantáneamente y por igual en todas direcciones del fluido".


Como aplicación podemos ver como dos pistones unidos mediante un fluido encerrado, si le aplicamos una fuerza (F1) a uno de ellos, se transmite la presión hasta el otro, y produce una fuerza (F2) en el segundo. Las ecuaciones que rigen este principio son:








Por el Principio de Pascal sabemos que la presión es igual en todos los puntos:

 

Nos dice que en un pistón de superficie pequeña cuando aplicamos fuerza, esta se transmite al pistón de superficie grande amplificada o a la inversa.

 

Ejemplo:

4. Disponemos de dos pistones unidos por una tubería de secciones S1= 10 mm2 y S2 = 40 mm2. Si necesitamos levantar un objeto con una fuerza F2= 40 N sobre el pistón segundo. ¿Cuál será la fuerza F1 que debemos realizar sobre el pistón primero?.

 



 

El fluido que normalmente se utiliza en los circuitos hidráulicos es aceite y los sistemas se llaman oleohidráulicos.

 

Las ventajas de la hidráulica son:

 

*  Permite trabajar con elevados niveles de fuerza o momentos de giro.

*  El aceite empleado en el sistema es fácilmente recuperable.

*  La velocidad de actuación es fácilmente controlable.

*  Las instalaciones son compactas.

*  Protección simple contra sobrecargas.

*  Pueden realizarse cambios rápidos de sentido.

 

Y las desventajas:

 

* El fluido es más caro.

* Se producen perdidas de carga.

* Es necesario personal especializado para la manutención.

* El fluido es muy sensible a la contaminación.

 

 

Actividades (3)

 

Realiza las siguientes actividades en tu cuaderno copiando los enunciados completos.

 

1. Explica el principio de Pascal y pon una aplicación para el mismo.

2. Disponemos de una prensa hidráulica como la de la figura. Si las superficies de los pistones son de S1= 100 mm2 y S2 =1240 mm2, ¿Qué fuerza tendremos que hacer para levantar un coche de 1200 Kg.?.

 

3. ¿Qué ventajas tiene la hidráulica?.

4. ¿Qué desventajas tiene la hidráulica?.


 

 


4. ELEMENTOS BÁSICOS DE UN CIRCUITO NEUMÁTICO

 

Los elementos básicos de un circuito neumático son:

 

*  El generador de aire comprimido, es el dispositivo que comprime el aire de la atmósfera hasta que alcanza la presión de funcionamiento de la instalación. Generalmente se asocia con un tanque donde se almacena el aire para su posterior utilización.


*  Las tuberías y los conductos, a través de los que se canaliza el aire para que llegue a todos los elementos.


*  Los elementos para el mantenimiento del aire comprimido, aseguran la limpieza del aire y las condiciones adecuadas del mismo para que la instalación funcione con normalidad.


*  Los actuadores, como cilindros y motores, que son los encargados de transformar la presión del aire en trabajo útil.


*  Los elementos de mando y control, como las válvulas distribuidoras, se encargan de permitir o no el paso del aire según las condiciones preestablecidas.

 

 

Los circuitos neumáticos tienen similitudes con un circuito eléctrico, ya que ambos tienen los mismos elementos:

 

 

 

4.1. Producción y distribución del aire comprimido

 

Para la producción se utilizan los compresores con depósito.

Los compresores se pueden clasificar en dos tipos, de émbolo o rotativos.

 

 

*   Compresores de émbolo, son los más utilizados debido a su flexibilidad de funcionamiento.

 

El funcionamiento de este tipo de compresores es muy parecido al del motor de un automóvil. Un eje, mediante una biela y una manivela produce el movimiento alternativo de un pistón. Al bajar el pistón se introduce el aire. Cuando ha bajado totalmente se cierra la válvula de admisión y comienza a subir el pistón y con ello la compresión del aire. Cuando este aire se ha comprimido hasta el máximo, la válvula de escape se abre y sale el aire a presión.

 

 


*   Compresores rotativos, consiguen aumentar la presión mediante el giro de un rotor. El aire se aspira y se comprime en la cámara de compresión gracias a la disminución del volumen que ocupa el aire. Los hay de paletas, de tornillo y el turbocompresor.

 

 

A. Compresor de paletas:

Son muy silenciosos y proporcionan un nivel de caudal prácticamente constante.

La compresión se efectúa como consecuencia de la disminución del volumen provocada por el giro de una excéntrica provista de paletas radiales extensibles que ajustan sobre el cuerpo del compresor.



B. Compresor de husillo o Roots:

Son caros aunque pueden suministrar aire a mayor presión que los anteriores.

Emplea un doble husillo de forma que toma el aire de la zona de aspiración y lo comprime al reducirse el volumen en la cámara creada entre ellos y el cuerpo del compresor.


C. Compresor de tornillo:

 

Son caros, silenciosos y tienen un desgaste muy bajo.

Se basa en el giro de dos tornillos helicoidales que comprimen el aire que ha entrado en su interior.

 


D. Turbocompresor:

 

Proporciona una presión reducida pero un caudal muy elevado. No suelen utilizarse en aplicaciones neumáticas industriales.

 

Las álabes recogen el aire de entrada y lo impulsan hacia la salida aumentando su presión.

 


Para representar cualquier tipo de compresor en los esquemas neumáticos se utiliza en siguiente símbolo:


Símbolo del compresor        

 

 

La mayor parte de los compresores suministran un caudal discontinuo de aire, de manera que se debe almacenar en un depósito. El depósito además sirve para evitar que los compresores estén en funcionamiento constantemente, incluso cuando no se necesita gran caudal de aire, también ayudan a enfriar el aire. Los depósitos generalmente disponen de manómetro que indica la presión interior, una válvula de seguridad que se dispara en caso de sobrepresiones y una espita para el desagüe de las condensaciones que se producen en el interior del depósito.

 

 

 

 

 

4.2. Tuberías y conductos


Para transportar el aire es necesario utilizar conductores. Los conductores utilizados son tuberías metálicas o de polietileno de presión. El diámetro de las tuberías depende de las necesidades de caudal que requiere la instalación, teniendo en cuenta la caída de presión producida por las pérdidas y la longitud de las tuberías.

 


Tubo de polietileno de presión

 

 

 

4.3. Elementos para el mantenimiento del aire comprimido


El aire comprimido debe llegar en condiciones propias de presión y limpieza a los circuitos y herramientas neumáticas. Para conseguirlo, tras el depósito se instalan los siguientes elementos.

 

* Filtro. Impide el paso de partículas de suciedad que pueden dañar el resto del circuito.

      Símbolo del filtro

 

*  Reductor de presión: Que ajusta la presión del aire a las necesidades de la instalación. Cuenta con un manómetro para poder comprobar la presión.

   Símbolo del reductor de presión 


*  Lubricador. Pulveriza pequeñas gotas de aceite lubricante en el aire, para que se engrasen las partes móviles del circuito.

 

 

 

Todos estos elementos se pueden encontrar en el mercado montados en un solo elemento llamado unidad de mantenimiento.


                                                 Símbolo de la unidad de mantenimiento

 

 

 

Actividades (4)

Realiza las siguientes actividades en tu cuaderno copiando los enunciados completos.

 

1. Nombra los elementos básicos de un circuito neumático básico y compáralos con los de un circuito eléctrico básico.

2. ¿Qué tipos de compresores existen?.

3. Dibuja el símbolo de un compresor.

4. ¿Para qué sirve el depósito de los compresores?.

5. ¿De qué materiales se fabrican las tuberías de los circuitos neumáticos?.

6. ¿Qué es una unidad de mantenimiento y qué tiene en su interior?.

7. ¿Qué pasaría si una instalación neumática no tiene unidad de mantenimiento?.

8. Dibuja el símbolo de una unidad de mantenimiento.

 



4.4. Elementos de trabajo: actuadores

 

Los actuadores se pueden clasificar en dos tipos: lineales y rotativos.

 

4.4.1. Actuadores lineales (cilindros)

Los cilindros se emplean cuando se desea un movimiento rectilíneo alternativo. Pueden utilizarse para desplazar objetos, para mover brazos de robots, etc. Los más conocidos son los de simple efecto y los de doble efecto.

 

*  Cilindro de simple efecto: se trata de un tubo cilíndrico cerrado dentro del cual hay un émbolo unido a un vástago que se desplaza unido a él. Por un extremo hay un orificio para entrar o salir el aire y en el otro está albergado un muelle que facilita el retorno del vástago.

Este tipo de cilindro trabaja en un solo sentido, cuando el aire entra en él. El retroceso y desalojo del aire se produce por la fuerza del muelle que está albergado en el interior del cilindro.









*   Cilindro de doble efecto: se trata de un tubo cilíndrico cerrado con un diseño muy parecido al cilindro de simple efecto, pero sin el muelle de retorno, el retorno se hace por medio de otra entrada de aire.

Este tipo de cilindro trabaja en los dos sentidos, cuando el aire entra en él produce fuerza y desaloja el aire que está en el otro compartimento. El retroceso y desalojo del aire se produce cuando el aire entra por el otro orificio.





4.4.2. Actuadores rotativos

Los actuadores rotativos se utilizan para hacer girar objetos o máquinas herramientas, motor de una taladradora, atornillar y destornillar, etc. También se utilizan los cilindros basculantes para producir movimientos circulares alternativos.


*   Motor de paletas: genera movimiento rotativo continuo. El aire entra por una parte y hace que giren las paletas, la herramienta se encuentra sujeta sobre el eje de giro. Se trata del motor neumático más utilizado, puede dar una potencia de hasta 20 CV y velocidades desde 3000 a 25000 rpm.



Actividades (5)


Realiza las siguientes actividades en tu cuaderno copiando los enunciados completos


1. Dibuja un cilindro de simple efecto y explica su funcionamiento. ¿Para qué suele emplear?

2. Dibuja un cilindro de doble efecto y explica su funcionamiento.

3. Dibuja un motor rotativo y explica su funcionamiento. ¿Para qué suele emplear?





4.5. Elementos de mando: válvulas


Con el objeto de controlar la circulación del aire en una dirección u otra se necesitan elementos de mando y control.

Existen varios métodos para accionar las válvulas y cada uno tiene su símbolo:



Las válvulas pueden tener 2, 3, 4, o 5 conexiones y pueden tener 2, 3, o 4 posiciones. Para nombrar una válvula se pone primero el número de conexiones, después el número de posiciones, separados ambos por una barra inclinada, a continuación se nombra su forma de accionamiento y por último su forma de retorno.



A continuación estudiaremos los tipos de válvulas más comunes:



A) Válvula 3/2: Una de sus principales aplicaciones es permitir la circulación de aire hasta un cilindro de simple efecto, así como su evacuación cuando deja de estar activado.

A continuación se ve su constitución interna. Se trata de una válvula activa por un pulsador y retorno por un muelle. En estado de reposo, permite que el aire pase del terminal 2 hasta el 3 y que no pueda entrar por el 1. Cuando la activamos, el aire puede pasar del terminal 1 al 2 y no puede pasar por el 3.



Una de las principales aplicaciones de la válvula 3/2 es la del control de un cilindro de simple efecto.


  




B) Válvula 5/2: Una de sus principales aplicaciones es controlar los cilindros de doble efecto.

A continuación se ve su constitución interna. Se trata de una válvula activa por un pulsador y retorno por muelle. En estado de reposo, permite la circulación de aire entre los terminales 4 y 5, y entre 1 y 2, el terminal 3 está bloqueado. Cuando la activamos, permite la circulación de aire entre los terminales 1 y 4, y entre 2 y 3, ahora el terminal 5 se encuentra bloqueado.






C) Válvula OR (O): Se trata de una válvula que implementa la función OR, esto es, cuando penetra el aire por cualquiera de sus entradas hace que este salga por la salida. Se utiliza para activar cilindros desde dos lugares distintos.






D) Válvula AND (Y): Se trata de una válvula que implementa la función AND, esto es, sólo permite pasar el aire a la salida cuando hay aire con presión por las dos entradas a la vez. Se utiliza para hacer circuitos de seguridad, el cilindro sólo se activará cuando existe presión en las dos entradas.




E) Válvula antirretorno: Se encarga de permitir el paso del aire libremente cuando circular desde el terminal 2 al 1. Mientras que no permite circular el aire desde el terminal 1 al 2.







F) Válvula estranguladora unidireccional: Se encarga de permitir el paso del aire libremente cuando circular desde el terminal 2 al 1. Mientras que estrangula el aire cuando circula desde el terminal 1 al 2. Se utiliza para hacer que los cilindros salgan o entren más lentamente.








A continuación os dejo una serie de actividades interactivas que debéis hacer:



Actividad 1              Actividad 2              Actividad 3
     


Actividades (6)


Realiza las siguientes actividades en tu cuaderno copiando los enunciados completos.


1. ¿Cómo se nombran las válvulas neumáticas?

2. ¿Dibuja el símbolo de una válvula 3/2 en sus dos posiciones y explica su funcionamiento?

3. ¿Dibuja el símbolo de una válvula 5/2 en sus dos posiciones y explica su funcionamiento?

4. Dibuja el esquema de una válvula OR y explica su funcionamiento.

5. Dibuja el esquema de una válvula AND y explica su funcionamiento.

6. Dibuja el esquema de una válvula antirretorno y explica su funcionamiento.

7. Dibuja el esquema de una válvula estranguladora unidireccional y explica su funcionamiento.



Aquí tenemos un esquema-resumen de los símbolos neumáticos/hidráulicos más utilizados.




5. DISEÑO DE CIRCUITOS NEUMÁTICOS


Cuando se representa un circuito neumático la colocación de cada elemento debe ocupar una posición en el esquema según realice una tarea u otra. El esquema se divide en varios niveles:



5.1. Circuitos típicos

Vamos a estudiar los esquemas y el funcionamiento de varios circuitos muy usados, donde se utilizan los elementos neumáticos vistos hasta ahora:



*   Pulsador de avance y de retroceso, con cilindro de doble efecto.

Cilindro de doble efecto con pulsador de avance y de retroceso


En el estado de reposo, el cilindro se encuentra retraído. Cuando se activa la válvula 1.2, el aire llega hasta la entrada 14 de la válvula 1.1 y la activa. Ésta conduce el aire hasta el cilindro hace avanzar, al vástago. Si dejamos de pulsar la válvula 1.2, y el cilindro permanece en este estado.


Cuando activamos la válvula 1.3, ésta conduce el aire hasta la entrada 12 de la válvula 1.1, que la hace cambiar de estado y hace que el vástago se retraiga.




*  Utilización de la válvula estranguladora de caudal.

La válvula estranguladora unidireccional de caudal se utiliza para hacer que el aire abandone al cilindro lentamente, y así hacer que el retroceso o el avance del vástago se realice lentamente.

Cilindro de doble efecto con regulación de velocidad en el retorno


Cuando se activa la válvula 1.2, el aire llega hasta el cilindro por la válvula estranguladora 1.01, pero esta no opone ninguna resistencia al paso del aire y el vástago sale con total normalidad.



Cuando se pulsa la válvula 1.3 para que retorne, el aire que abandona al cilindro por la válvula 1.01, sale por la estrangulación y hace que el vástago retorne lentamente.

Si colocamos otra válvula estranguladora de caudal en la otra entrada del cilindro, podremos regular la velocidad de avance y retroceso del mismo.




*   Utilización de un final de carrera.

Un final de carrera es una válvula accionada por rodillo, que es pulsada por el mismo vástago, permitiendo la realización de circuitos automáticos, como prensas, guillotinas, etc.

Cilindro de doble efecto con retorno automático por final de carrera


El funcionamiento es el mismo que la aplicación 3, pero el retorno se produce cuando el vástago llega hasta el final de carrera 1.3 de la válvula 1.3, de forma automática.

Sustitución de la válvula 1.3 por un final de carrera Colocación real del final de carrera




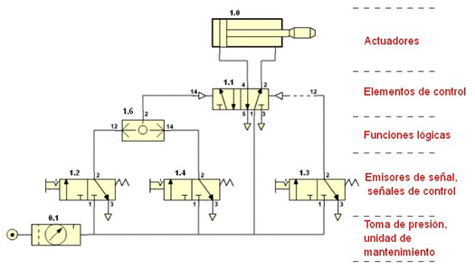
*   Utilización de la puerta OR

La puerta OR se suele emplear en circuitos donde haya que pulsar dos válvulas simultáneamente.


Cilindro de doble efecto con una puerta OR para el avance


Cuando se pulsa la válvula 1.2 o 1.4, o las dos, se hace que avance el cilindro. Si no están pulsadas ninguna de las dos, y pulsamos la válvula 1.3, el cilindro retorna.




*   Utilización de la puerta AND.

Mediante la válvula AND podemos controlar un cilindro desde dos sitios distintos.

Cilindro de doble efecto con una puerta AND para el avance


Cuando se pulsa la válvula 1.2 y la 1.4 las dos a la vez, se hace que avance el cilindro. Si sólo está pulsada una o ninguna de las dos, el cilindro no avanza. Si en esta situación pulsamos la válvula 1.3, el cilindro retorna.


Actividades (7)


Realiza las siguientes actividades en tu cuaderno copiando los enunciados completos.


1. ¿Cómo podríamos regular la velocidad de salida del vástago del cilindro anterior?. ¿Y la velocidad de entrada?. Dibuja el circuito resultante. ¿Qué aplicaciones se te ocurren para este circuito?.

2. Dibuja el circuito neumático de un pistón que avance al pulsar un pedal y retroceda automáticamente al llegar al final de su recorrido. ¿Qué aplicaciones podría tener este circuito?.

3. La puerta de una prisión se abre mediante un pistón neumático, para abrirla hay que pulsar dos botones a la vez y para cerrarla hay que pulsar otros dos botones distintos a la vez. Dibuja el circuito neumático correspondiente utilizando válvulas OR.

4. Un camión levanta su volquete gracias a un pistón hidráulico. Para ello, tiene un botón en la cabina y otro en la parte trasera. Dibuja el circuito hidráulico correspondiente utilizando válvulas AND.



6. ELEMENTOS BÁSICOS DE UN CIRCUITO HIDRÁULICO


Todo lo visto de los circuitos neumáticos es aplicable a los circuitos hidráulicos.

La diferencia más relevante viene marcada por el tipo de fluido; la Neumática utiliza aire comprimido (muy compresible) y la Hidráulica generalmente emplea aceites (prácticamente incompresibles). Por esta razón, los circuitos neumáticos son abiertos (escapes al ambiente), mientras que los hidráulicos son cerrados (escapes a un tanque). Además hay otras diferencias:





NEUMÁTICA


· Cargas por debajo de los 3000 Kg

· Desplazamientos rápidos.

· Motores de alta velocidad con más de 500.000 rpm.

· Control poco preciso, con “rebotes”.

· Control de calidad, etiquetado, embalaje, herramientas portátiles,
  atracciones de feria,…


HIDRÁULICA


· Cargas elevadas tanto en actuadores lineales como en motores de par
  elevado.

· Control exacto de la velocidad y parada.

· Industrias metalúrgicas, máquinas herramientas, prensas, maquinaria de
  obras públicas, industria naval y aeronáutica, sistemas de transporte,…



Los esquemas de los circuitos hidráulicos son idénticos, a diferencia de que han de llevar un escape a depósito y una bomba hidráulica en lugar de un compresor de aire.




En el esquema hidráulico de la derecha puede apreciarse en símbolo de la bomba hidráulica, que extrae el fluido de la cubeta a través de un filtro y el escape de la válvula 3/2 a la cubeta.


Esta instalación lleva incorporado un limitador de presión, que ha de estar presente en todos los circuitos hidráulicos para evitar roturas en los tubos.





7. SIMULACIÓN DE CIRCUITOS NEUMÁTICOS E HIDRÁULICOS


Al igual que ocurre con los circuitos eléctricos y electrónicos, existen programas de ordenador capaces de simular el funcionamiento de un circuito neumático o hidráulico dibujado previamente.

Los simuladores de neumática son muy útiles por que nos ayudan a comprender el funcionamiento de los circuitos neumáticos sin gastar dinero.

En la actualidad hay muchos en el mercado, pero su elevado coste los hace de difícil adquisición. En los siguiente enlaces encontrarás algunos:

FluidSIM®3 Neumática es una herramienta de simulación para la obtención de los conocimientos básicos de la neumática:

http://mexakin-profesionistas.blogspot.com/2007/10/festo-fluidsim-36full-espaol.html

Varios programas en versión demo de neumática y sus instrucciones:

http://olmo.cnice.mecd.es/~jmarti50/descarga/neumatica.html

Pneusim Pro Software de simulación Neumática.Versión demo en inglés:

http://www.usa.norgren.com/downloads/PneuSimPro/Pneusim.exe

Varios programas de neumática e hidráulica:

http://www.apetega.org/ligazons/lig-fluidos.php

.


Actividades (8)


1. Dibuja y simula todos los circuitos neumáticos vistos durante el tema en la aplicación anterior


Este es otro sencillo simulador neumático online con la posibilidad de ver los circuitos dibujados en 3D.


http://ares.cnice.mec.es/electrotecnia/a/generales/simulador_neumatica/simulador_neumatica.htm


Y por último, en este enlace encontrarás muchas prácticas de neumática en un laboratorio virtual

http://www.logiclab.hu/index.php









ATRÁS


INICIO


       































































































Bienvenidos al mundo de la Tecnología